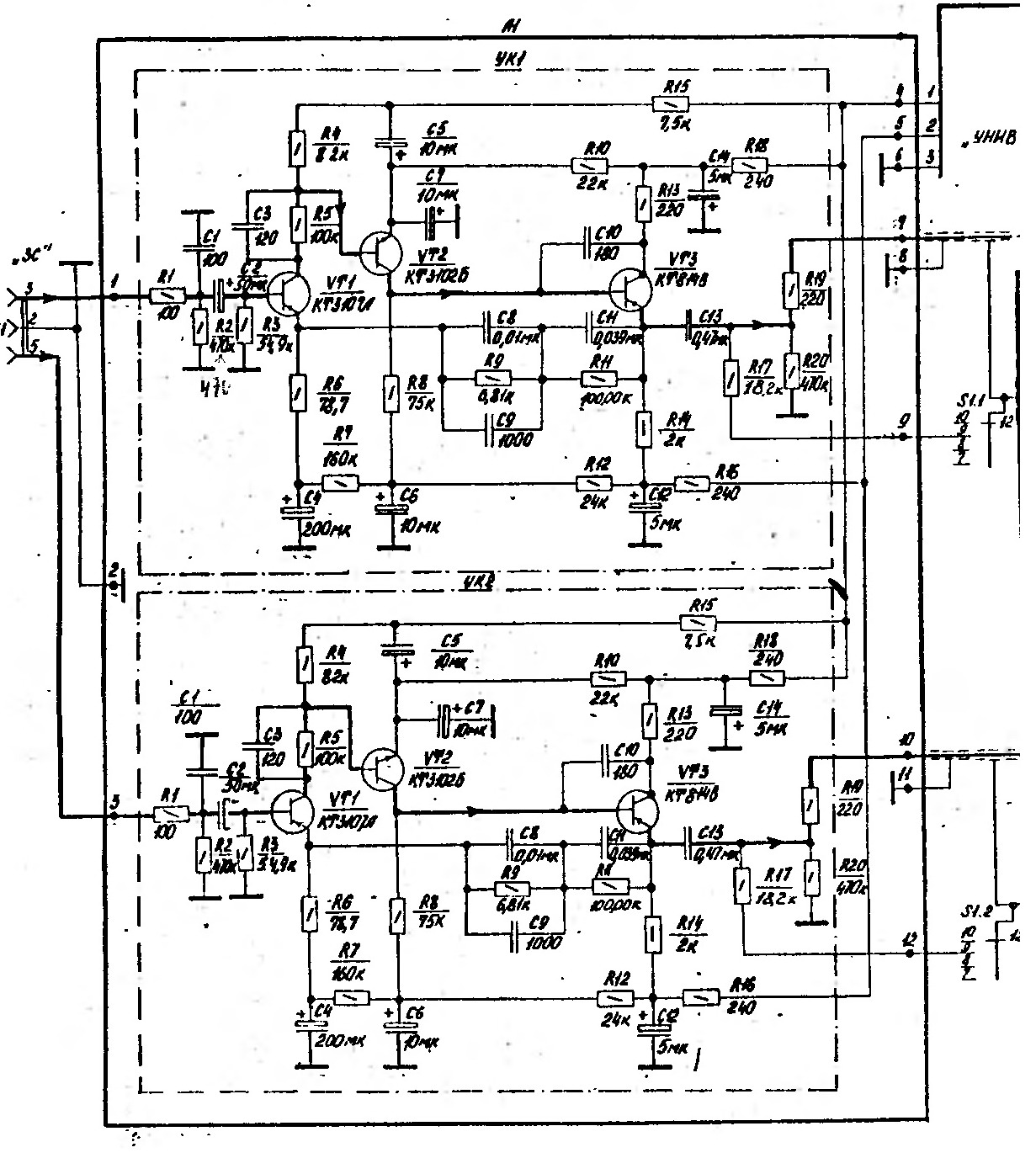
Рабочий , некопанный, 1988г.
Питание двуполярное +- 31в.
Находится в подмосковье, оплата на карту Сбера , пересылка почтой РФ за счёт покупающего.
Цена 650 руб.
Продам корректор от "Амфитон У-002"
- Автор
- Сообщение
-
Не в сети
- Сообщения: 83
- Зарегистрирован: Ср янв 28, 2026 12:06 pm
- Город: г.Дубна МО
-
Не в сети
- Сообщения: 83
- Зарегистрирован: Ср янв 28, 2026 12:06 pm
- Город: г.Дубна МО
Продам корректор от "Амфитон У-002"
Новая цена 500 руб.
