CD проигрыватель Technics sl-pg 380a.

Все что связано с ремонтом нашей любимой техники
  • Автор
  • Сообщение
Не в сети
Аватара пользователя
Сообщения: 56
Зарегистрирован: Ср янв 28, 2026 11:08 pm
Город: Ижевск

CD проигрыватель Technics sl-pg 380a.

Сообщение Dimitrov-67 »

Может быть,кто сталкивался с подобной проблемой?
При вращении диск ,,ширкает,, ,как-будьто что-то задевает.Если постараться положить его строго по центру лотка,то перестает,но после нескольких попыток.
Визуально ничего подозрительного.При открытой крышке пробовал подвигать пластиковый прижимной круг.Тоже перестает.
Ощущение,что диск неровно ложится.Раньше такого не было. :i_dont_know:
_________________
Мой ник на старом форуме ,,dimonchik,,. 😉

Не в сети
Сообщения: 168
Зарегистрирован: Сб фев 07, 2026 11:22 am
Город: Кирово-Чепецк

CD проигрыватель Technics sl-pg 380a.

Сообщение s.k. »

У меня как-то давно был похожий случай - на усилитель Люксман-Л-570 поставил какую-то СД-деку. И даже и СД не включал. :ruka:
За месяц - от Люксмана под воздействии высокой температуры покоробился диск СД.
У Вас похожего случая не было?
_________________
akost09@yandex.ru

Не в сети
Аватара пользователя
Сообщения: 56
Зарегистрирован: Ср янв 28, 2026 11:08 pm
Город: Ижевск

CD проигрыватель Technics sl-pg 380a.

Сообщение Dimitrov-67 »

Нет,у меня он стоит отдельно от остальной техники.
_________________
Мой ник на старом форуме ,,dimonchik,,. 😉

Не в сети
Аватара пользователя
Сообщения: 121
Зарегистрирован: Сб янв 31, 2026 2:40 pm
Город: Пермь

CD проигрыватель Technics sl-pg 380a.

Сообщение Relanium »

Я бы предположил, что это верхняя прижимная фиговина перекосилась или ещё что-то. Как то попадалась с износом пластика, стала "шоркать". Или криво прижимать стало по какой-то причине.
_________________
Ох уж эти сказочки, ох уж эти сказочники!

Не в сети
Сообщения: 300
Зарегистрирован: Чт янв 29, 2026 7:47 pm
Город: VRN

CD проигрыватель Technics sl-pg 380a.

Сообщение Nogood »

Аппарату 30 лет, странно что он вообще шевелится. Открывать надо а не догадки строить.

Не в сети
Аватара пользователя
Сообщения: 113
Зарегистрирован: Вт янв 27, 2026 4:26 pm
Город: Воронежская обл. г.Богучар

CD проигрыватель Technics sl-pg 380a.

Сообщение Жендос !!! »

Dimitrov-67 писал(а): Сб фев 21, 2026 2:09 pm При вращении диск ,,ширкает,, ,как-будьто что-то задевает
Такие же симптомы были когда использовал CD - болванки, перестал испоьзовать стало всё нормально.
_________________
Мой ник на старом фоуме - Jenya, репутация - 69 :smile:

Не в сети
Аватара пользователя
Сообщения: 56
Зарегистрирован: Ср янв 28, 2026 11:08 pm
Город: Ижевск

CD проигрыватель Technics sl-pg 380a.

Сообщение Dimitrov-67 »

Раньше и с болванками все было нормально.
Может быть,действительно,устал аппарат,пора другой покупать.
_________________
Мой ник на старом форуме ,,dimonchik,,. 😉

Не в сети
Аватара пользователя
Сообщения: 113
Зарегистрирован: Вт янв 27, 2026 4:26 pm
Город: Воронежская обл. г.Богучар

CD проигрыватель Technics sl-pg 380a.

Сообщение Жендос !!! »

Dimitrov-67 писал(а): Сб фев 21, 2026 6:51 pm Раньше и с болванками все было нормально.
Раньше и болванки были другими, взять современные, так они на сквозь просвечиваются !!! и 100% грешат кривизной
_________________
Мой ник на старом фоуме - Jenya, репутация - 69 :smile:

Не в сети
Сообщения: 202
Зарегистрирован: Сб фев 07, 2026 7:50 pm
Город: калуга

CD проигрыватель Technics sl-pg 380a.

Сообщение Игорь40 »

Ну так снять планку прижима, и попробовать без неё. Аккуратно.

Не в сети
Аватара пользователя
Сообщения: 515
Зарегистрирован: Пн янв 26, 2026 5:05 pm
Город: Зеленоград

CD проигрыватель Technics sl-pg 380a.

Сообщение Karlson1664 »

А с планки можно и прижим снять и пришлепнуть диск без планки.
Ну чтоб не улетел :gigi:
Тут и видно станет что кривое.
Вал мотора, писчинка на тарелке или диск кривой.
А может просто пассик менять пора.
Пару раз встречал что шпиндель по валу вниз сполз.
Фото механики нет, а в инет за ними лезть лениво.
:hello:
_________________
aleksejjklc@yandex.ru

Не в сети
Сообщения: 300
Зарегистрирован: Чт янв 29, 2026 7:47 pm
Город: VRN

CD проигрыватель Technics sl-pg 380a.

Сообщение Nogood »

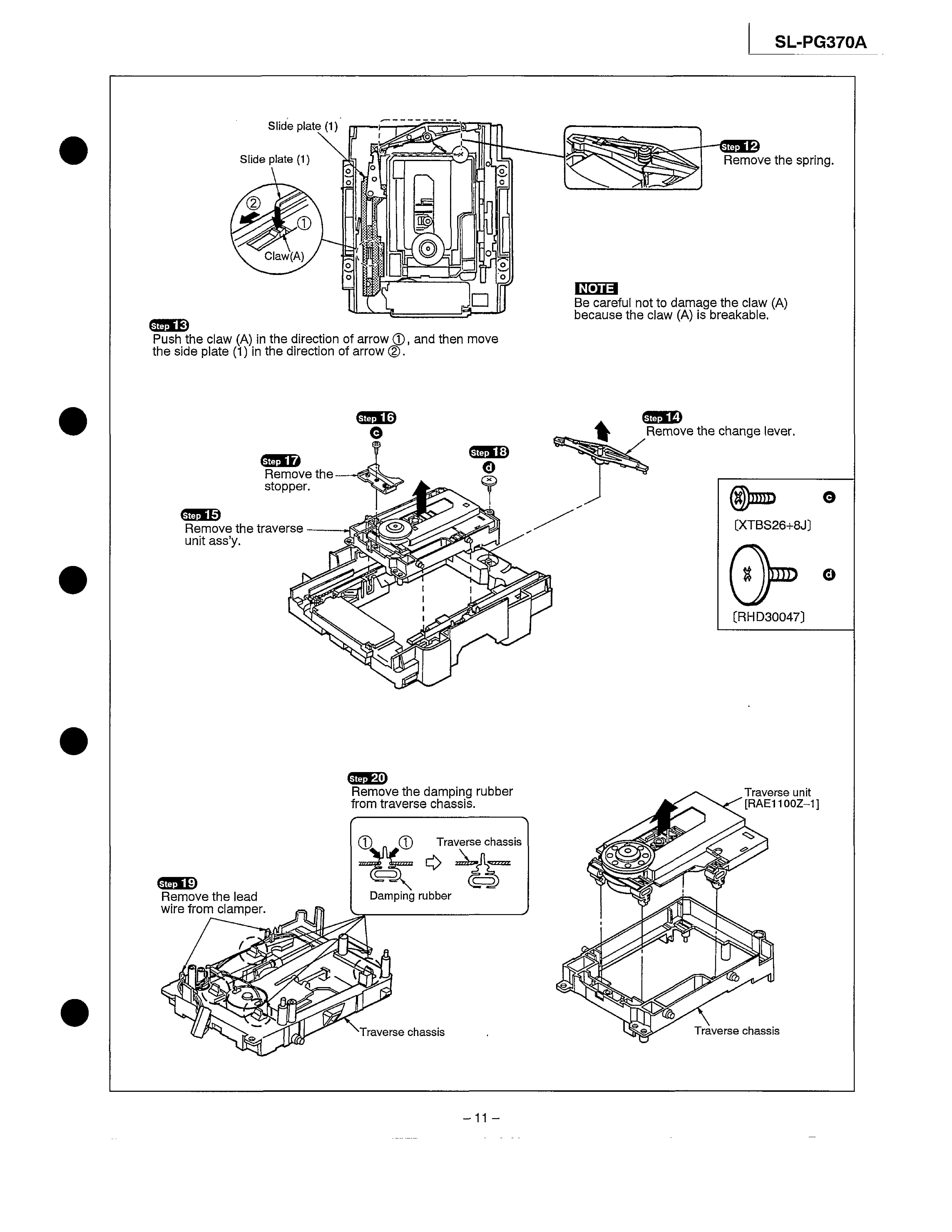
На 380- й нет СМ. Есть на 370 и 390-й
Какая схема разборки подойдет выяснится только при сравнении
370

Не в сети
Аватара пользователя
Сообщения: 56
Зарегистрирован: Ср янв 28, 2026 11:08 pm
Город: Ижевск

CD проигрыватель Technics sl-pg 380a.

Сообщение Dimitrov-67 »

Привод вроде как у 370а.
_________________
Мой ник на старом форуме ,,dimonchik,,. 😉

Не в сети
Аватара пользователя
Сообщения: 56
Зарегистрирован: Ср янв 28, 2026 11:08 pm
Город: Ижевск

CD проигрыватель Technics sl-pg 380a.

Сообщение Dimitrov-67 »

_________________
Мой ник на старом форуме ,,dimonchik,,. 😉

Не в сети
Аватара пользователя
Сообщения: 56
Зарегистрирован: Ср янв 28, 2026 11:08 pm
Город: Ижевск

CD проигрыватель Technics sl-pg 380a.

Сообщение Dimitrov-67 »

Привод без верхней планки.
_________________
Мой ник на старом форуме ,,dimonchik,,. 😉

Не в сети
Сообщения: 300
Зарегистрирован: Чт янв 29, 2026 7:47 pm
Город: VRN

CD проигрыватель Technics sl-pg 380a.

Сообщение Nogood »

Dimitrov-67 писал(а): Пн фев 23, 2026 3:16 pmПривод без верхней планки.
Систем фиксации диска на шпиделе привода - 2.
1. Нижняя - когда диск прижимается сверху вниз- подвижная планка опускающаяся на диск прижимной шайбой. Наблюдал в Ямахе
2. Верхняя - когда каретка с приводом приподнимается после установки диска на шпиндель привода - до прижима диска верхней вращающейся шайбой на поперечной планке.
По другому не бывает - диск обязательно надо зафиксировать на шпинделе приподняв привод или опустив сверху прижим - иначе он при раскрутке (300об\мин) просто соскочит или будет цеплять за детали привода.
В 370а планка с шайбой прижима - есть. Т.е. механизм по типу 2. (см. стр.9 - в моем посте)
Тебе надо на открытом аппарате - просмотреть работу привода при запуске воспр. На фото твоем - явно видны места крепления планки см.стр.10 моего поста.
А если планки нет то и цеплять диск будет. Или мы тут говорим об одном и том же но разными словами. :smile:


Не в сети
Сообщения: 300
Зарегистрирован: Чт янв 29, 2026 7:47 pm
Город: VRN

CD проигрыватель Technics sl-pg 380a.

Сообщение Nogood »

А если шайба прижима не свободно болтается (на планке) Т.е. не самоориентируется соосно со шпинделем привода - то и цеплять может

Не в сети
Сообщения: 300
Зарегистрирован: Чт янв 29, 2026 7:47 pm
Город: VRN

CD проигрыватель Technics sl-pg 380a.

Сообщение Nogood »

Dimitrov-67 писал(а): Сб фев 21, 2026 2:09 pmПри открытой крышке пробовал подвигать пластиковый прижимной круг
Вот вот.... :grust:

Не в сети
Аватара пользователя
Сообщения: 56
Зарегистрирован: Ср янв 28, 2026 11:08 pm
Город: Ижевск

CD проигрыватель Technics sl-pg 380a.

Сообщение Dimitrov-67 »

Планка,конечно,есть.Я делал фото,после снятия планки,так,на всякий случай.
Шайба прижима на планке ходит свободно.
Прижим осуществляется подъемом механизма вверх.
_________________
Мой ник на старом форуме ,,dimonchik,,. 😉

Не в сети
Аватара пользователя
Сообщения: 515
Зарегистрирован: Пн янв 26, 2026 5:05 pm
Город: Зеленоград

CD проигрыватель Technics sl-pg 380a.

Сообщение Karlson1664 »

Dimitrov-67 писал(а): Пн фев 23, 2026 8:16 pm Прижим осуществляется подъемом механизма вверх.
Попробуй пальцем подтолкнуть, там место есть куда впихнуть.
Вполне допускаю растянутый пассик.
Сложнее грязь в механизме.
Пластиковые направляем такая гад... бяка.
_________________
aleksejjklc@yandex.ru

Не в сети
Аватара пользователя
Сообщения: 56
Зарегистрирован: Ср янв 28, 2026 11:08 pm
Город: Ижевск

CD проигрыватель Technics sl-pg 380a.

Сообщение Dimitrov-67 »

Попробую. :da:
_________________
Мой ник на старом форуме ,,dimonchik,,. 😉

Не в сети
Сообщения: 89
Зарегистрирован: Ср янв 28, 2026 2:58 pm
Город: Москва

CD проигрыватель Technics sl-pg 380a.

Сообщение Однако »

Nogood писал(а): Пн фев 23, 2026 7:04 pm Систем фиксации диска на шпиделе привода - 2.
Однако в pioneer еще одна система, когда CD кладется на лоток этикеткой вниз.
И еще одна в ноутбучных и переносных CD-DVD, без прижима.
Верхний прижим с магнитом т.е. примагничивается к шпинделю и зажимает диск.
У ТС привод CDM-12 от филлипса.( VAM-1202 в мацушитовском исполнении).
Скорее всего износился подшипник шпиндель мотора.

Не в сети
Аватара пользователя
Сообщения: 17
Зарегистрирован: Чт фев 05, 2026 2:21 pm
Город: Магнитогорск

CD проигрыватель Technics sl-pg 380a.

Сообщение Magrif »

Я только собирался создать тему про такую болезнь , достался по случаю за так сидюк , долго лежал , стал разбираться , а оказалось нет одной финтифлюшки . Как обзывается не знаю , а вот диск фиксирует в лотке , типа на вид шестеренки , пластиковая . Вот голову сломал чем заменить .

Не в сети
Аватара пользователя
Сообщения: 17
Зарегистрирован: Чт фев 05, 2026 2:21 pm
Город: Магнитогорск

CD проигрыватель Technics sl-pg 380a.

Сообщение Magrif »


Не в сети
Аватара пользователя
Сообщения: 17
Зарегистрирован: Чт фев 05, 2026 2:21 pm
Город: Магнитогорск

CD проигрыватель Technics sl-pg 380a.

Сообщение Magrif »

Что то не пойму как фото загрузить , не выходит у меня .

Не в сети
Аватара пользователя
Сообщения: 515
Зарегистрирован: Пн янв 26, 2026 5:05 pm
Город: Зеленоград

CD проигрыватель Technics sl-pg 380a.

Сообщение Karlson1664 »

Вроде как обычно... "добавить изображения"


Только в "быстром ответе" этой функции нет.
А при создании темы должна быть.
:hello:
_________________
aleksejjklc@yandex.ru
Ответить

Вернуться в «Ремонт техники»