а что? а вдруг?
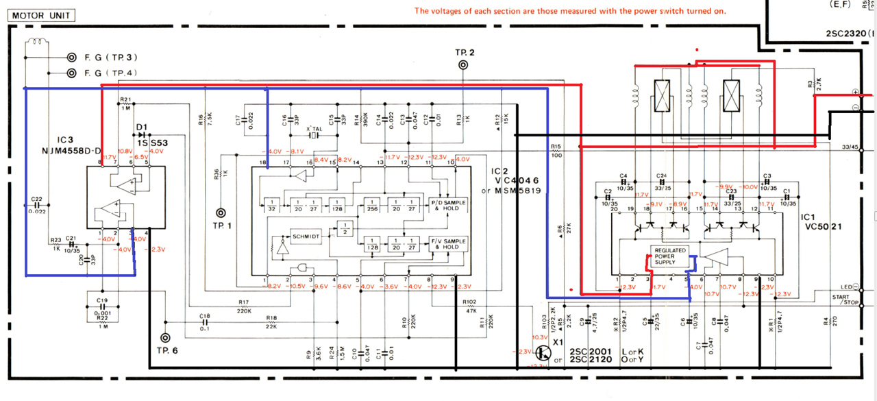
Микросхему Victor VC4046
- Автор
- Сообщение
-
Не в сети
- Сообщения: 88
- Зарегистрирован: Чт янв 29, 2026 7:42 pm
- Город: Москва, Зеленоград
Микросхему Victor VC4046
микруха управления двигателя прямоприводного вертака....
а что? а вдруг?
а что? а вдруг?
-
Не в сети
- Сообщения: 98
- Зарегистрирован: Вт янв 27, 2026 9:51 pm
- Город: Зеленоград
Микросхему Victor VC4046
Аналог - MSM5819 у кЕтайцев есть. Но не за шапку сухарей...
-
Не в сети
- Сообщения: 88
- Зарегистрирован: Чт янв 29, 2026 7:42 pm
- Город: Москва, Зеленоград
Микросхему Victor VC4046
protol,
привет, по поводу "аналоговости" откуда инфа?
привет, по поводу "аналоговости" откуда инфа?
-
Не в сети
- Сообщения: 98
- Зарегистрирован: Вт янв 27, 2026 9:51 pm
- Город: Зеленоград
-
Не в сети
- Сообщения: 98
- Зарегистрирован: Вт янв 27, 2026 9:51 pm
- Город: Зеленоград
Микросхему Victor VC4046
Ямаха какая-то, если старческий эклер не обманывает...
-
Не в сети
- Сообщения: 88
- Зарегистрирован: Чт янв 29, 2026 7:42 pm
- Город: Москва, Зеленоград
Микросхему Victor VC4046
ок, спасибо, в инете тоже порыл, вроде можно поставить

-
Не в сети
- Сообщения: 98
- Зарегистрирован: Вт янв 27, 2026 9:51 pm
- Город: Зеленоград
