Коммутаторы акустики & селектор
- Автор
- Сообщение
-
Не в сети
- Сообщения: 194
- Зарегистрирован: Пн фев 02, 2026 9:02 am
- Город: Сургут
Коммутаторы акустики & селектор
Может поможет.
https://kirovo-chepetsk.zsa-print.ru/us ... ravirovka/
https://kirovo-chepetsk.zsa-print.ru/us ... ravirovka/
-
Не в сети
- Сообщения: 18
- Зарегистрирован: Вт фев 03, 2026 10:21 am
- Город: москва
-
Не в сети
- Сообщения: 255
- Зарегистрирован: Вт мар 17, 2026 11:36 am
- Город: Lahr
Коммутаторы акустики & селектор
Я делал так. Лазерным принтером печатал рисунок с надписями панели в зеркальном формате на прозрачной плёнке. Покрывал панель прозрачным лаком и когда он наполовину высох, ещё липкий, придавливал тонером плёнку к панели. На следущий день снимал плёнку, надписи оставались на панели.
-
Не в сети
- Сообщения: 167
- Зарегистрирован: Сб фев 07, 2026 7:50 pm
- Город: калуга
Коммутаторы акустики & селектор
Я когда то при СССР покупал переводки в Москве, вот сейчас бы это пригодилось ,здорово получалосьДядя Фёдор писал(а): Вс апр 12, 2026 5:49 pm Я делал так. Лазерным принтером печатал рисунок с надписями панели в зеркальном формате на прозрачной плёнке. Покрывал панель прозрачным лаком и когда он наполовину высох, ещё липкий, придавливал тонером плёнку к панели. На следущий день снимал плёнку, надписи оставались на панели.
-
Не в сети
- Сообщения: 30
- Зарегистрирован: Сб фев 21, 2026 10:14 pm
- Город: москва
Коммутаторы акустики & селектор
Именно о них и речь, в виде недопустимости применения посеребренных галетников для коммутации слабых сигналов. Для вот коммутации акустики годятся любые, желательно самоочищающиеся.
-
Не в сети
- Сообщения: 147
- Зарегистрирован: Сб фев 07, 2026 11:22 am
- Город: Кирово-Чепецк
-
Не в сети
- Сообщения: 147
- Зарегистрирован: Сб фев 07, 2026 11:22 am
- Город: Кирово-Чепецк
-
Не в сети
- Сообщения: 447
- Зарегистрирован: Ср янв 28, 2026 10:24 pm
- Город: Луганская обл.
Коммутаторы акустики & селектор
s.k.,
Сергей, я чет не совсем пойму, это коммутатор только усилителей и акустики? РЦА только три стерео входа
Сергей, я чет не совсем пойму, это коммутатор только усилителей и акустики? РЦА только три стерео входа
_________________
KENWOOD is the best for life
KENWOOD is the best for life
-
Не в сети
- Сообщения: 147
- Зарегистрирован: Сб фев 07, 2026 11:22 am
- Город: Кирово-Чепецк
Коммутаторы акустики & селектор
С. Михалыч,
По селектору - медиаплеер; все 3 контакта запараллелены.
По селектору - медиаплеер; все 3 контакта запараллелены.
-
Не в сети
- Сообщения: 147
- Зарегистрирован: Сб фев 07, 2026 11:22 am
- Город: Кирово-Чепецк
Коммутаторы акустики & селектор
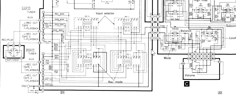
1. Центральная часть:
2. "Хвосты" на заднюю панель:
Монтажный провод - МГТФ 0,5 мм. На ответную часть, на заднюю панель, решил использовать вместо латунных
гаек - обычные металлические гайки 304.
Латунные гайки - там всегда есть риск повреждения при монтаже (срывается резьба) при слишком больших усилиях.
2. "Хвосты" на заднюю панель:
Монтажный провод - МГТФ 0,5 мм. На ответную часть, на заднюю панель, решил использовать вместо латунных
гаек - обычные металлические гайки 304.
Латунные гайки - там всегда есть риск повреждения при монтаже (срывается резьба) при слишком больших усилиях.
-
Не в сети
- Сообщения: 194
- Зарегистрирован: Пн фев 02, 2026 9:02 am
- Город: Сургут
-
Не в сети
- Сообщения: 147
- Зарегистрирован: Сб фев 07, 2026 11:22 am
- Город: Кирово-Чепецк
Коммутаторы акустики & селектор
"Ваше мнение - очень важно для нас!" (с).
-
Не в сети
- Сообщения: 194
- Зарегистрирован: Пн фев 02, 2026 9:02 am
- Город: Сургут
Коммутаторы акустики & селектор
s.k., покажите мне аппарат где есть два выхода соединённых параллельно.
Конечно можно городить что угодно если неважно качество звучания.
Конечно можно городить что угодно если неважно качество звучания.
-
Не в сети
- Сообщения: 147
- Зарегистрирован: Сб фев 07, 2026 11:22 am
- Город: Кирово-Чепецк
Коммутаторы акустики & селектор
Это я уже комментировал...s.k. писал(а): Чт апр 09, 2026 5:19 pm FEDGEN,
Все 2 выхода и 1 вход;(или 1 выход и 2 входа), - будут соединены параллельно. Это я "подсмотрел" на японских деках.
Там вообще не стеснялись соединять параллельно - обычно 1 вх + 3 выхода. Много раз применял, (1+2).
А вот комбинация (1+4,5,6 и т.д.) - там требуется эмиттерный или истоковый повторитель.
-
Не в сети
- Сообщения: 194
- Зарегистрирован: Пн фев 02, 2026 9:02 am
- Город: Сургут
Коммутаторы акустики & селектор
s.k., может поймёте смысл схемы и её недостатки.
Я никогда не записывал с коммутаторов записи в унч,всегда напрямую с источника.
Обычный источник рассчитан на определённое входное сопротивление и чем оно выше тем меньше искажений( я про разумный предел 20 ком).
Есть топовые источники где буфер уже стоит в источнике ,но у вас таких нет и не будет (вероятнее).
Коммутатор записи , резисторы в цепи сигнала от 10ком чтобы не нагружать выход источника.В этом случае подключаемый межблочный провод будет немножко эквализировать звук.
Я никогда не записывал с коммутаторов записи в унч,всегда напрямую с источника.
Обычный источник рассчитан на определённое входное сопротивление и чем оно выше тем меньше искажений( я про разумный предел 20 ком).
Есть топовые источники где буфер уже стоит в источнике ,но у вас таких нет и не будет (вероятнее).
Коммутатор записи , резисторы в цепи сигнала от 10ком чтобы не нагружать выход источника.В этом случае подключаемый межблочный провод будет немножко эквализировать звук.
-
Не в сети
- Сообщения: 194
- Зарегистрирован: Пн фев 02, 2026 9:02 am
- Город: Сургут
-
Не в сети
- Сообщения: 147
- Зарегистрирован: Сб фев 07, 2026 11:22 am
- Город: Кирово-Чепецк
Коммутаторы акустики & селектор
FEDGEN,
Признаю, - я "затупил" - объединил вместе и ЛК, и ПК, в селекторе...

Признаю, - я "затупил" - объединил вместе и ЛК, и ПК, в селекторе...
