Akai gx 77
- Автор
- Сообщение
-
Не в сети
- Сообщения: 9
- Зарегистрирован: Вс фев 15, 2026 1:45 pm
- Город: Москва
Akai gx 77
Akai gx 77 .ПОмогите, пожалуйста . В прямом ходе при воспроизведении играет отлично, стоит переключить в реверс- тут же начинает тянуть и через -30-40 секунд -полная отановка ! Все проверил, двигатель с платой управления поставил от рабочего аппарата, запитывал двигатель от стороннего блока питания- ничего не помогает . Не знаю даже куда копать. Ремень новый . Все смазано и перебрано.
-
Не в сети
- Сообщения: 98
- Зарегистрирован: Пн фев 02, 2026 9:02 am
- Город: Сургут
Akai gx 77
Включите без ленты с катушками и посмотрите как ведут себя подкатушечники при прямом и реверсивном движении , я про натяжение ленты в разных режимах. В реверсе катушку с лентой подкручиванете рукой, посмотрите что будет.
-
Не в сети
- Сообщения: 98
- Зарегистрирован: Пн фев 02, 2026 9:02 am
- Город: Сургут
-
Не в сети
- Сообщения: 9
- Зарегистрирован: Вс фев 15, 2026 1:45 pm
- Город: Москва
Akai gx 77
Все это делалось . Ничего не дает.FEDGEN писал(а): Чт апр 02, 2026 9:08 pm Включите без ленты с катушками и посмотрите как ведут себя подкатушечники
-
Не в сети
- Сообщения: 9
- Зарегистрирован: Вс фев 15, 2026 1:45 pm
- Город: Москва
Akai gx 77
Это видео про перемотки , у меня проблемы с воспроизведением.
-
В сети
- Сообщения: 59
- Зарегистрирован: Ср янв 28, 2026 12:06 pm
- Город: г.Дубна МО
Akai gx 77
Я думаю надо внимательно почитать мануал, благо он в свободном доступе.
Со стр.26 еачинается самое интересное - настройка прижима , натяжения, троможения и прочее.
Короче динамометор вам в руки...
Со стр.26 еачинается самое интересное - настройка прижима , натяжения, троможения и прочее.
Короче динамометор вам в руки...
-
Не в сети
- Сообщения: 9
- Зарегистрирован: Вс фев 15, 2026 1:45 pm
- Город: Москва
Akai gx 77
Настройка прижима - если прижим не правильный , замените пружину. Вот и вся настройка. Пружины и ролики (на всякий случай)поменяны местами - результат тот же. Натяжение и торможение тоже настроены . Полтергейст прямо какой то.
-
Не в сети
- Сообщения: 348
- Зарегистрирован: Пн янв 26, 2026 5:05 pm
- Город: Зеленоград
-
Не в сети
- Сообщения: 98
- Зарегистрирован: Пн фев 02, 2026 9:02 am
- Город: Сургут
Akai gx 77
Реле или что там меняет направление тонвального двигателя, замерить напряжения на его обмотках в обеих режимах.
-
Не в сети
- Сообщения: 98
- Зарегистрирован: Пн фев 02, 2026 9:02 am
- Город: Сургут
-
Не в сети
- Сообщения: 137
- Зарегистрирован: Вт фев 10, 2026 5:55 pm
- Город: Астрахань
Akai gx 77
может к специалисту отнести? не? 
-
Не в сети
- Сообщения: 9
- Зарегистрирован: Вс фев 15, 2026 1:45 pm
- Город: Москва
Akai gx 77
Нет там реле никакого. Два вала вращаются в противоположном направлении постоянно. Реверс за счет прижима левого ролика. Прямой ъод - правого.
-
Не в сети
- Сообщения: 98
- Зарегистрирован: Пн фев 02, 2026 9:02 am
- Город: Сургут
-
Не в сети
- Сообщения: 9
- Зарегистрирован: Вс фев 15, 2026 1:45 pm
- Город: Москва
Akai gx 77
Оно. И в прямом ходе работает хоть сутки.
-
Не в сети
- Сообщения: 98
- Зарегистрирован: Пн фев 02, 2026 9:02 am
- Город: Сургут
Akai gx 77
тонвалы местами поменяйте,пасики, плёнку за хвост подержите, шестерёнки подохли
-
В сети
- Сообщения: 59
- Зарегистрирован: Ср янв 28, 2026 12:06 pm
- Город: г.Дубна МО
Akai gx 77
А не разные ли тонвалы А и В ?
Иначе они были бы под одним номером в спецификации.
Если разные то местами не поменять.
И смущает два номера 33 в спецификации
Ось тонвала обычно запрессована в маховик, может при нагрузке проворачивается?
Что то весит на валу реверса
Интересно назначение деталей 34 35 36 37
Иначе они были бы под одним номером в спецификации.
Если разные то местами не поменять.
И смущает два номера 33 в спецификации
Ось тонвала обычно запрессована в маховик, может при нагрузке проворачивается?
Что то весит на валу реверса
Интересно назначение деталей 34 35 36 37
-
Не в сети
- Сообщения: 9
- Зарегистрирован: Вс фев 15, 2026 1:45 pm
- Город: Москва
Akai gx 77
На валу реверса ничего не висит. А проблема при реверсе не в провороте оси в маховике, а в полной остановке ЛПМ - двигатель останавливается наглухо.
-
Не в сети
- Сообщения: 13
- Зарегистрирован: Сб фев 07, 2026 12:29 pm
- Город: Екатер
Akai gx 77
Без ленты двигатель тоже останавливается? (С отключенным автостопом.) Похоже, левый тонвал чем-то тормозится, причем только тогда, когда прижат ролик. Понятно, что стоит проверить поверхность вала, смазку, втулку, Можно скинуть пассик и в режиме реверса покрутить маховик рукой. И выяснить таким образом, что мешает легкости хода.
-
В сети
- Сообщения: 59
- Зарегистрирован: Ср янв 28, 2026 12:06 pm
- Город: г.Дубна МО
Akai gx 77
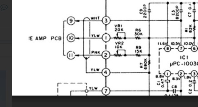
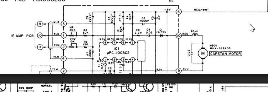
Тормозить может reel motor R если он в режиме реверс по какой либо причине не выключился ,
проверить по ногам контроллера согласно fig.19 на стр.19 мануала.
проверить по ногам контроллера согласно fig.19 на стр.19 мануала.
