Covid 2020 сидел в карантине и сбацал

Все, что делается своими руками - от узлов до законченных конструкций, опыт, технологии, материалы и т.п.
Ответить
  • Автор
  • Сообщение
Не в сети
Аватара пользователя
Сообщения: 180
Зарегистрирован: Вт мар 17, 2026 11:36 am
Город: Lahr

Covid 2020 сидел в карантине и сбацал

Сообщение Дядя Фёдор »

сидел в карантине и сбацал
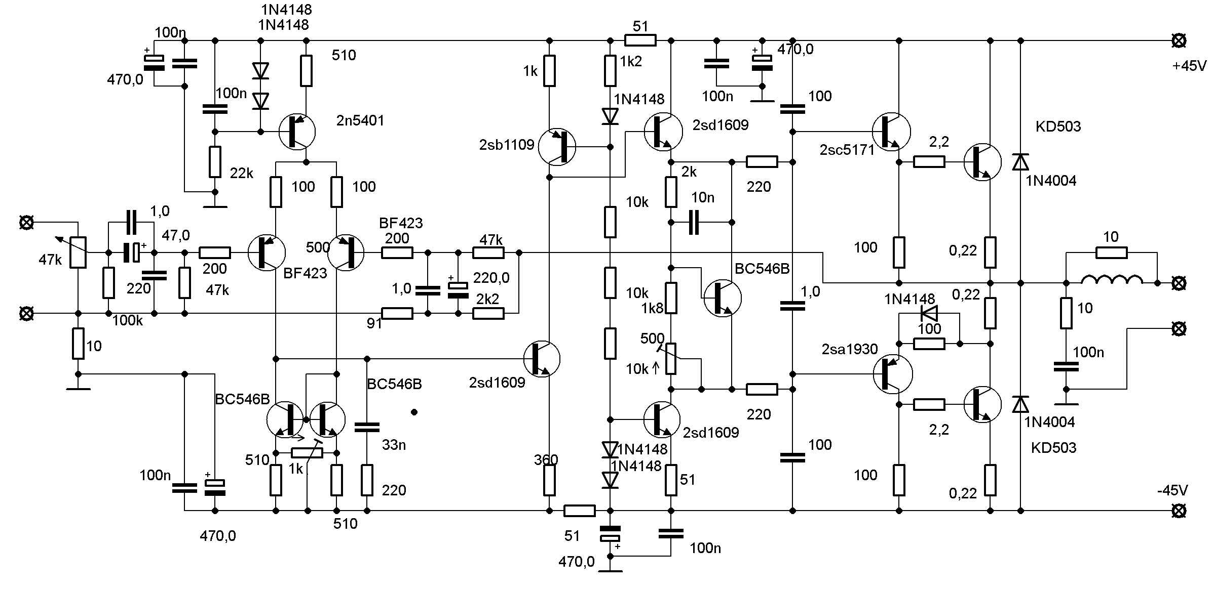
2 по 100 ватт на 4 Ома
измерение компенсационным методом показала искажения меньше 0,01%


Не в сети
Сообщения: 188
Зарегистрирован: Чт фев 26, 2026 9:04 am
Город: СПб

Covid 2020

Сообщение eddddy »

А с фоном 50Гц там что?
Транс не экранированный, ТС подобный, и совсем рядом с входными цепями...

Не в сети
Сообщения: 120
Зарегистрирован: Сб фев 07, 2026 11:22 am
Город: Кирово-Чепецк

Covid 2020

Сообщение s.k. »

Радиаторы - зачетные!!! :da:

Не в сети
Аватара пользователя
Сообщения: 180
Зарегистрирован: Вт мар 17, 2026 11:36 am
Город: Lahr

Covid 2020

Сообщение Дядя Фёдор »

eddddy,
Обсолютно ничего. Это ж мощник, входа не такие чувствительные. Транс тоже от какого-то шнайдера усилителя.
Проблема фона в усилителях, как правило от неправильно разведённой земли. С этим здесь порядок.

DYA
Не в сети
Сообщения: 18
Зарегистрирован: Ср янв 28, 2026 9:28 am
Город: Armavir

Covid 2020 сидел в карантине и сбацал

Сообщение DYA »

Как всегда :goodgood: :goodgood: :goodgood:

Не в сети
Сообщения: 188
Зарегистрирован: Чт фев 26, 2026 9:04 am
Город: СПб

Covid 2020 сидел в карантине и сбацал

Сообщение eddddy »

Дядя Фёдор писал(а): Ср мар 25, 2026 8:57 pm С этим здесь порядок.
тогда хорошо )

Не в сети
Сообщения: 14
Зарегистрирован: Пт фев 06, 2026 4:41 pm
Город: Кр.кр. НовокубанскU

Covid 2020 сидел в карантине и сбацал

Сообщение Дмитрий65 »

Сидюку наверное трудно , такую тяжесть на плечи :smile:
А чего за схема ?

Не в сети
Сообщения: 47
Зарегистрирован: Чт янв 29, 2026 6:57 pm
Город: Калининград

Covid 2020 сидел в карантине и сбацал

Сообщение Алексейгрей »

Дядя Фёдор, А можно ссылку на индикаторы?

Не в сети
Аватара пользователя
Сообщения: 180
Зарегистрирован: Вт мар 17, 2026 11:36 am
Город: Lahr

Covid 2020 сидел в карантине и сбацал

Сообщение Дядя Фёдор »

Дмитрий65,
Ну нетакой он уж тяжёлый.
Схема по мотиву " Феникс 005"

Не в сети
Аватара пользователя
Сообщения: 180
Зарегистрирован: Вт мар 17, 2026 11:36 am
Город: Lahr

Covid 2020 сидел в карантине и сбацал

Сообщение Дядя Фёдор »

Алексейгрей,
Всмысле? Это оригинальные Акаевские индикаторы.

Не в сети
Сообщения: 47
Зарегистрирован: Чт янв 29, 2026 6:57 pm
Город: Калининград

Covid 2020 сидел в карантине и сбацал

Сообщение Алексейгрей »

Дядя Фёдор, Я думал индикаторы брали на Али и попросил ссылку.

Не в сети
Аватара пользователя
Сообщения: 180
Зарегистрирован: Вт мар 17, 2026 11:36 am
Город: Lahr

Covid 2020 сидел в карантине и сбацал

Сообщение Дядя Фёдор »

Алексейгрей,
Акай на запчасти разобрал, заслужил :smile:
Ответить

Вернуться в «Наши самоделки»